“O”型切斷球閥小口徑采用二片式球閥結構,大口徑采用三片式球閥結構。閥體由主、副二部分組成,球芯采用全通徑,額定流量系數大,流阻小。球芯表面采用特殊工藝進行硬化處理,使其表面光滑耐磨,閥座密封材料為碳纖維增強型聚四氟乙烯,閥座磨損小,密封優(yōu)良,使用壽命長,具有極強的切斷性能。執(zhí)行機構選用高性能雙活塞齒輪齒條結構或撥叉式結構,傳動效率高,結構緊湊或電子式電動執(zhí)行機構。該系列產品公稱通徑范圍DN15~500mm(1/2”~20”),公稱壓力等級PN1.6~10.0MPa(150lb~600lb)。
產品特點
閥座限位結構(扭矩穩(wěn)定):閥座密封圈合理預緊并限位,大大減小了操作扭矩;閥座底部設有彈簧,維持扭矩穩(wěn)定;
閥桿防飛出設計(安全可靠):下裝式閥桿,防止閥桿因介質壓力過高而飛出,徹底消除了安全隱患;
防火設計(可在火燒后保持密封):軟密封閥座采用帶有密封面的不銹鋼座包裹聚四氟乙烯密封圈組合式閥座,不銹鋼座密封面和球體間有一小間隙。當聚四氟乙烯密封圈遇火燒毀時,浮動球體在介質壓力作用下壓向不銹鋼座,同時依靠閥座底部彈簧作用,推動不銹鋼座壓向球芯,球體和不銹鋼座密封面間形成密封;
防靜電裝置(可將靜電引出):簡便易裝的防靜電裝置,使球體、閥桿和閥體始終連為一體,因開關導致密封面摩擦而產生的靜電被引出;
標準執(zhí)行器:氣動、電動可互換。
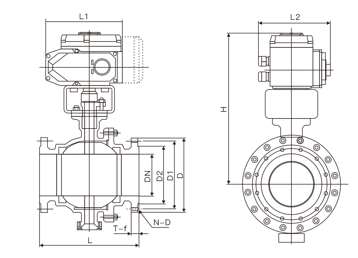
主要連接尺寸
|
公稱通徑 DN(mm) |
尺?(mm) |
||||||||
|
L |
L1 |
L2 |
H |
D |
D1 |
D2 |
b-f |
N-D |
|
|
50 |
178 |
190 |
170 |
290 |
165 |
125 |
102 |
18-3 |
4-18 |
|
65 |
190 |
270 |
220 |
330 |
185 |
145 |
122 |
18-3 |
8-18 |
|
80 |
203 |
270 |
220 |
345 |
200 |
160 |
138 |
20-3 |
8-18 |
|
100 |
229 |
270 |
220 |
355 |
220 |
180 |
158 |
20-3 |
8-18 |
|
125 |
356 |
270 |
220 |
385 |
250 |
210 |
188 |
22-3 |
8-18 |
|
150 |
394 |
270 |
220 |
405 |
285 |
240 |
212 |
22-3 |
8-22 |
|
200 |
457 |
270 |
220 |
430 |
340 |
295 |
268 |
24-3 |
12-22 |
|
250 |
533 |
270 |
220 |
465 |
405 |
355 |
320 |
26-3 |
12-26 |